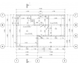
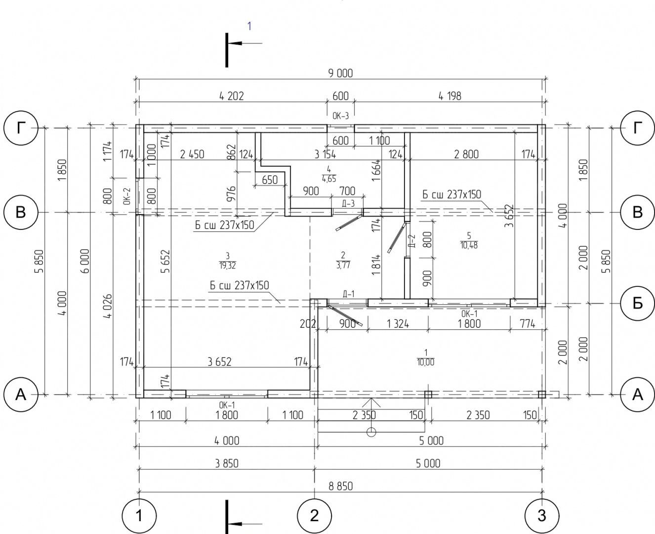
Компания SIPWALL приступила к строительству дома 48м2 по индивидуальному проекту в КП Новое Юсупово, г.о. Домодедово, МО.
Комплектация домокомплекта: Премиум.
Комплектация домокомплекта: перекрытие на отметке +0.000 - СИП - 174У мм, несущие стены дома выполнены из СИП панелей 174 мм, внутренние несущие стены - СИП 174 мм, не несущие стены - СИП 124 мм Кровля - СИП 174У.
Все СИП панели SIPwall толщиной 224/174/124 мм (плиты OSB-3 толщиной 12 мм "Калевала" Россия и фасадный пенополистирол ППС-14 толщиной 200/150/100 мм производства, Россия) нарезаны и обрусованы сухим строганным брусом камерной сушки в соответствии с проектной документацией.
Домокомплект - изготовлен по проекту из СИП панелей произведенный по технологии SIPwall (ЭКОПАН) на собственном заводе расположенном в г. Шуя, Ивановской области. При изготовлении домокомплекта панельно каркасного дома используется только сухой строганный брус камерной сушки, обработанный огнебиозащитным составом.
На выходе с завода «СИПВОЛЛ» домокомплект имеет "99 %- ю" готовность.
















